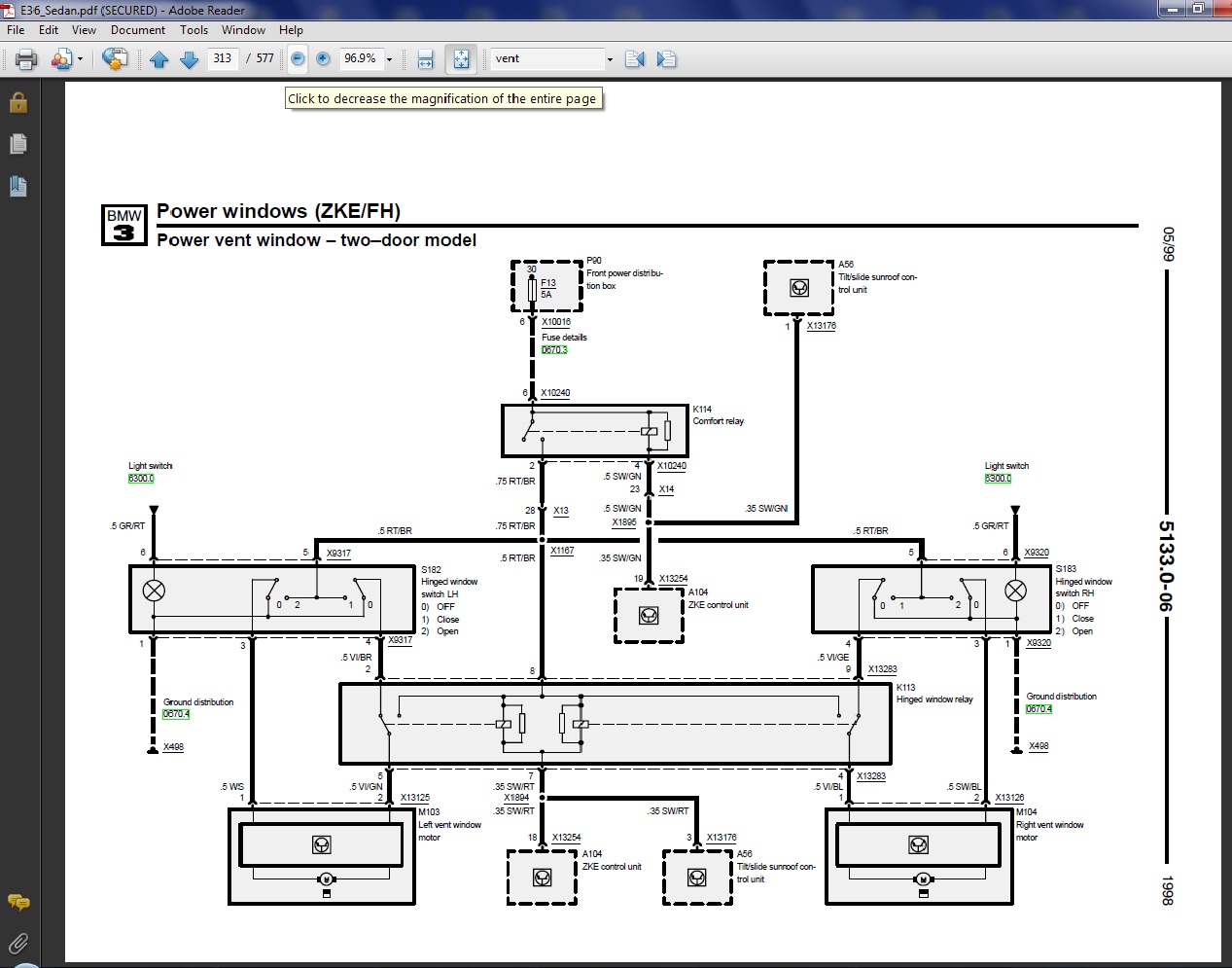
no je to ťažko ked nevieš čítať zo schémy, ale skusim vysvetliť
cesta napájania teda + > z poistkovej skrinky z poistky č5 ide kabel do K 114 comfort rele (toto spina ZKE, malo by byť niekde nad vodičovými nohami)
z toho relatka ide 0.75mm2 kabel (teda dosť hrubý) - ČERVENO-HNEDY asi do spojovačky káblov (pravdepodobne pri vodičovi)
zo spojovačky to ide na 3 strany:
1, tlačítko na pravé okno
2, tlačítko na lavé okno
3, K113 rele (toto rele teda pravdepodobne máš kedže máš šíber-podla schémy by vraj malo byť pri nohách vodiča ale zdá sa mi,že som ho videl skôr pri motorčeku šíbra - ten je asi na streche že?

)
takže vstupy do tlačítok:
tie červeno-hnedé káble zapoj do spojovačky (ak tam takú farbu máš)
šedo-červené idú na podsvietenie tlačítok (tiež spojovačka)
hnedý je kostra (spojovačka alebo kostriaci bod)
výstupy tlačítok:
1. tlačítko (lavá strana)
biely ide priamo do motorčeka,
fialovo-hnedý ide do relé K113 pin2 - z relátka vychádza z pinu5 ako fialovo-zelený a ide do motorčeka
2. tlačítko (pravá strana)
čierno-modrý ide priamo do motorčeka
fialovo-žltý ide do relé K113 pin9 - z relátka vychádza z pinu4 ako fialovo-modrý a ide do motorčeka
stačí takto? alebo dojdeš ku mne a pofušujeme?
