... všetko o BMW ...

Moderátori: voMacK, alfi666

reklamne predmety bmwklub.sk
 
Unlife
Autor témy
Príspevky: 3
Registrovaný: 29.3.2020
Auto: Bmw 525d e60
Kraj: Košický

Pretocenie budíkov pri štarte

Nedeľa, 29. Marca 2020, 14:01

Dobrý deň, chcel by som sa spýtať, či neviete o niekom, kto vie nastaviť pretocenie budíkov pri naštartovaní. Ďakujem za každú odpoveď a radu
 
PetoK
Príspevky: 10055
Registrovaný: 11.7.2007
Kraj: Žilinský

Re: Pretocenie budíkov pri štarte

Nedeľa, 29. Marca 2020, 16:05

Zabudni na to.
 
Užívateľov profilový obrázok
airbone
Príspevky: 6660
Registrovaný: 5.5.2007
Auto: F25 X3
Kraj: Prešovský
Bydlisko: doma

Re: Pretocenie budíkov pri štarte

Nedeľa, 29. Marca 2020, 19:44

Tym chcel PetoK povedat, ze sa to neda....
 
Unlife
Autor témy
Príspevky: 3
Registrovaný: 29.3.2020
Auto: Bmw 525d e60
Kraj: Košický

Re: Pretocenie budíkov pri štarte

Nedeľa, 29. Marca 2020, 22:46

😔 Škoda, asi preto som o tom nič nenašiel na nete. Ďakujem za odpoveď.
 
Užívateľov profilový obrázok
RACERMAN
Príspevky: 1384
Registrovaný: 16.10.2011
Kraj: Banskobystrický

Re: Pretocenie budíkov pri štarte

Pondelok, 30. Marca 2020, 12:32

Neda sa to, ale mozes si pred startom vzdy natukat kombi test ked mas casu :D
E60 530d SILVER METALLIC, custom audio, video mod with wifi screen casting
Ex: E90 325i, E46 320d, CLK320, A6 2.8i, A4 2.6i, Passat 1.9Tdi 96kw, a vela iných
YAMAHA YZF R6, ATV QUAD
Servis, diagnostika, kódovanie,...ISTA, DIS, INPA, NCS, TOOL32, WinKFP...
Čistenie klimatizácie interiéru ozónom
 
starynovy
Príspevky: 8944
Registrovaný: 10.6.2012
Kraj: Zahraničie

Re: Pretocenie budíkov pri štarte

Pondelok, 30. Marca 2020, 13:00

Som cakal, ze airbone dojde.. Co sa neda, vsetko sa da. Tam dobastlis 4x driver ktory to na zaciatku preleti a potom sa odpoji. :D Divne, ze na to v bmv nemysleli, je to uzivatelsky oblubena zbytocnost. Kopec aut to ma z vyroby, u VAGu to je jeden bit v kodovani. Skoda.
 
Užívateľov profilový obrázok
airbone
Príspevky: 6660
Registrovaný: 5.5.2007
Auto: F25 X3
Kraj: Prešovský
Bydlisko: doma

Re: Pretocenie budíkov pri štarte

Streda, 1. Apríla 2020, 01:10

starynovy napísal:
Som cakal, ze airbone dojde.. Co sa neda, vsetko sa da. Tam dobastlis 4x driver ktory to na zaciatku preleti a potom sa odpoji. :D Divne, ze na to v bmv nemysleli, je to uzivatelsky oblubena zbytocnost. Kopec aut to ma z vyroby, u VAGu to je jeden bit v kodovani. Skoda.
On sa pytal ci sa da nastavit, nie spravit. Spravit jasne ze sa to da, ale jedine u teba.... Ty si guru vsetkeho :wink:
Dobastli ten driver a ja ho budem od teba odoberat. Teraz mas cas pocas karanteny. ALe nech je to lacne, lebo kto by to potom zaplatil?
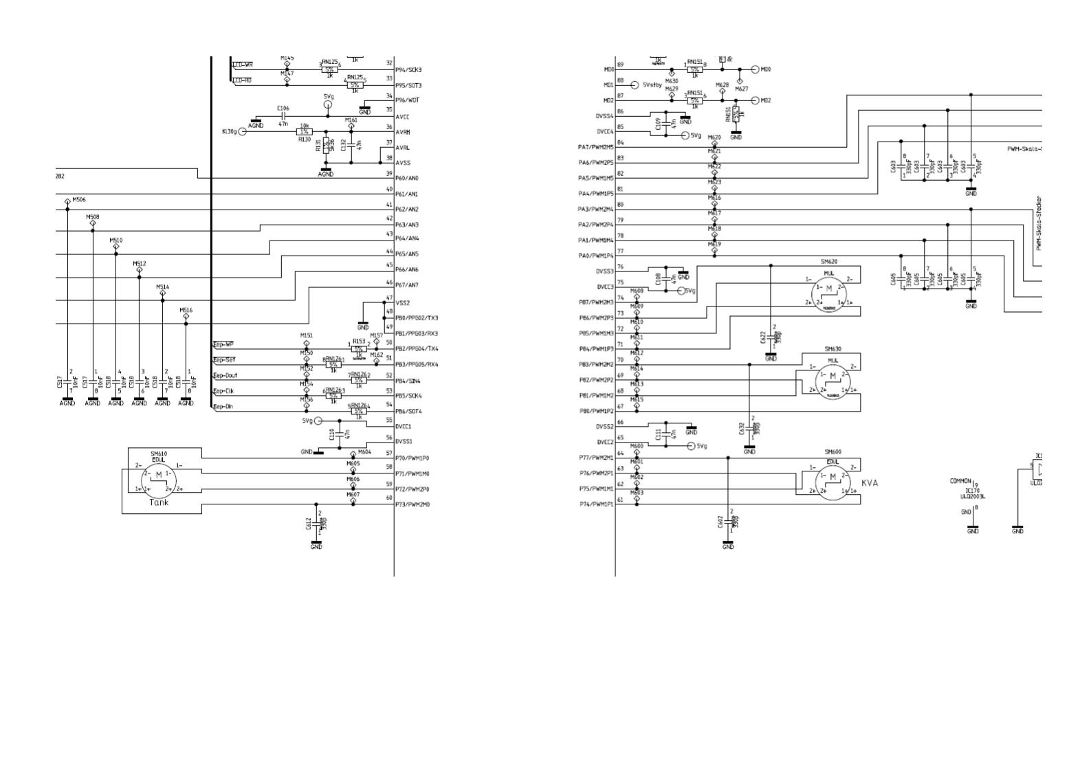
Akurat ze na ten cas kym driver bude cez PWM signal ovladat vsetky styri servomotory, budes musiet ich odpojit od procesoru nejakym sikovnym obvodom, (vid vysek zo schemy) aby sa to nebilo.... Alebo by bolo jednoduchsie to implementovat ako CAN message, ktory pretoci vsetky rucky.
Inac ma napadlo ze preco to bmw nema. Mozno preto ze nechceli kopirovat tuzerinu od VAG..... Na vystave vo frankfurte som take zariadenie videl, pripjene na budiky E90... Ba co, este lepsie, vedelo to hybat a tancovat ruckami aj podla hudby! To by bola paradzina, mac daco take vof bavarii!
Prílohy
e60ki-wd-cut.jpg
 
starynovy
Príspevky: 8944
Registrovaný: 10.6.2012
Kraj: Zahraničie

Re: Pretocenie budíkov pri štarte

Streda, 1. Apríla 2020, 10:17

Radsej mohli co to skopirovat aby nestali elektronicky tie bavarje za vylizprdel.. :D
 
Užívateľov profilový obrázok
airbone
Príspevky: 6660
Registrovaný: 5.5.2007
Auto: F25 X3
Kraj: Prešovský
Bydlisko: doma

Re: Pretocenie budíkov pri štarte

Streda, 1. Apríla 2020, 10:52

starynovy napísal:
Radsej mohli co to skopirovat aby nestali elektronicky tie bavarje za vylizprdel.. :D

Chlapec tam od vas z Oravie Jozef Kaban presiel zo skodofky do bmw v 2017, podla mna uz urcite pracuje na rieseni.... :mrgreen:
 
Užívateľov profilový obrázok
RACERMAN
Príspevky: 1384
Registrovaný: 16.10.2011
Kraj: Banskobystrický

Re: Pretocenie budíkov pri štarte

Streda, 1. Apríla 2020, 12:07

Chvalabohu ze to nie je a nemame taky cirkus v aute
E60 530d SILVER METALLIC, custom audio, video mod with wifi screen casting
Ex: E90 325i, E46 320d, CLK320, A6 2.8i, A4 2.6i, Passat 1.9Tdi 96kw, a vela iných
YAMAHA YZF R6, ATV QUAD
Servis, diagnostika, kódovanie,...ISTA, DIS, INPA, NCS, TOOL32, WinKFP...
Čistenie klimatizácie interiéru ozónom
 
Užívateľov profilový obrázok
boborjelotor
Príspevky: 4537
Registrovaný: 24.4.2019
Kraj: Trenčiansky

Re: Pretocenie budíkov pri štarte

Streda, 1. Apríla 2020, 12:24

Kaban uz je naspat vo folcvakene a pozera kde by svetla rozkrojil.

pozeral som na jutube stare motorweek epizody z 90s a pri nejakom Lexuse to vysvetlovali, ze to vraj nie je len na efekt ten gauge sweep, ale ako kontrola pre vodica, ze mu funguju budiky. Je na to aj patent http://www.freepatentsonline.com/5822335.html
Povodne urcene pre motorky.
 
starynovy
Príspevky: 8944
Registrovaný: 10.6.2012
Kraj: Zahraničie

Re: Pretocenie budíkov pri štarte

Streda, 1. Apríla 2020, 12:44

No nehovor, ze to moze mat funkciu.. Ze sa tie serva/air-core prebehnu cez full sweep. Uplna picovina, by som daval utierku na budiky pred startom. Tu by som po starte prehodil na resetujuci infotainment. U bezneho banglbmv by sa aspon rucicka nadrze pozrela na "1". :D
 
Užívateľov profilový obrázok
TT-SIMIK
Príspevky: 12730
Registrovaný: 8.9.2007
Auto: BMW
Kraj: Trnavský
Bydlisko: SERVIS BMW Mobil:0917 741480 www.bmwtt.sk

Re: Pretocenie budíkov pri štarte

Streda, 1. Apríla 2020, 19:14

Ja testujem budiky ci funguju vzdy ked sadnem do auta.Zohrejem a davam mu co da. Ked natankujem plnu tak palivomer ukaze full.....Treba si kupit este toto a bude to prsve orechove....
SERVIS BMW TT-SIMIK
Obrázok
http://www.ttsimik.sk
Mám v živote dve lásky, SIMONKU a BMW
AJ MÚDRI SÚ OBČAS SPROSTÍ,AJ SPROSTÍ SÚ OBČAS MÚDRI!!!!!
https://www.instagram.com/ttsimik/
 
starynovy
Príspevky: 8944
Registrovaný: 10.6.2012
Kraj: Zahraničie

Re: Pretocenie budíkov pri štarte

Streda, 1. Apríla 2020, 19:18

To mi pripomenulo slunce seno.. tam mal tusim ten zapadniarsky fiat presne tento klakson. :D
 
Užívateľov profilový obrázok
TT-SIMIK
Príspevky: 12730
Registrovaný: 8.9.2007
Auto: BMW
Kraj: Trnavský
Bydlisko: SERVIS BMW Mobil:0917 741480 www.bmwtt.sk

Re: Pretocenie budíkov pri štarte

Streda, 1. Apríla 2020, 21:14

Presne podla toho som to na youtube hladal🤣
SERVIS BMW TT-SIMIK
Obrázok
http://www.ttsimik.sk
Mám v živote dve lásky, SIMONKU a BMW
AJ MÚDRI SÚ OBČAS SPROSTÍ,AJ SPROSTÍ SÚ OBČAS MÚDRI!!!!!
https://www.instagram.com/ttsimik/

Kto je prítomný

Užívatelia prezerajúci toto fórum: Žiadny pripojení užívatelia a 10 neregistrovaných