Štvrtok, 28. Februára 2013, 10:46
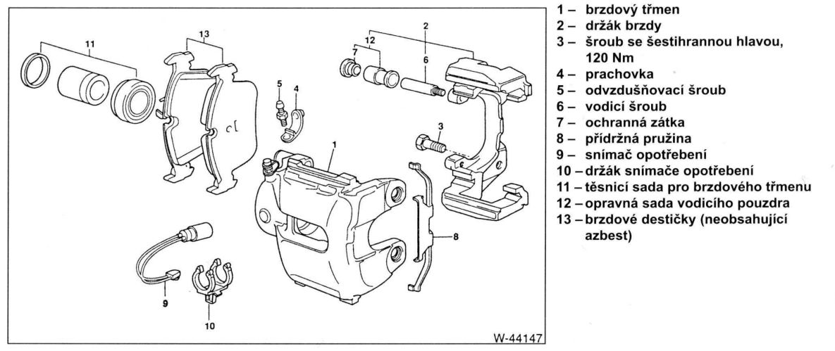
Ahojte chlapci a dievčatá, potrebujem zohnať sponu na prednú brzdu. Na obrázku je to č. 8 a aj prachovku. Nemá niekto na predaj aspoň tú sponu zo starého brzdiča. Pomohlo by. :-)
-
Prílohy
-

- brzdaBMW.jpg (84.96 KiB) 1051 zobrazení
Na svete sú len dve značky áut, BMW a Alfa Romeo.