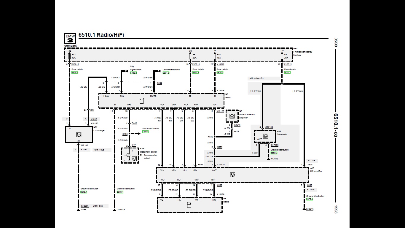
to viem ak by niekto potreboval - konektor na radiu pin 15 je zem, pin 9 je stalych +12V pre pamät, pin 5 je napajanie +12V (keď je zapalovanie v polohe I/II)....
vid. obr.

no predsa to nebudem napajat fušersky s konektoru pre radio

, teraz to mam zapojene pekne cez svorky co su pri vodicovych nohach takze mi staci len precvaknut svorku, ale ide mi o to ci to skutocne ma byt napojene na stalych 12V...a ci mi nebude vybijat baterku, meral som odber prudu ukazalo asi 0,08A co zase nie je vela...
a pozeral som schemu tam to je uplne inak