Utorok, 5. Augusta 2014, 22:22
díky....vidíš ešte som taketo niečo nikdy na aute čo bolo u mna nikdy nevidel...)))))moja chyba....mal som si to čeknut........))))
Active brake air flap control
Active brake air flap control
The active brake air flap control improves the aerodynamics of the vehicle. A reduction in the CO2emissions is achieved in this way. Depending on the engine variant and optional extra, the brake air flap control system is fitted in the vehicle.
Brief description of components
The system consists of:
•2 brake air flaps with 2 Hall sensors
•Vacuum supply with 2 partial-vacuum canisters
•Switchover valve
The two brake air flaps are fitted down in the vehicle bumper. The switchover valve is attached to the left-hand spring strut dome.
The brake air flaps are activated by partial vacuum. The vacuum pump on the engine generates this partial vacuum. The partial vacuum is applied to a partial-vacuum canister on the housing of the brake air flap.
Index
Explanation
Index
Explanation
1
Bumper
2
Brake air flap, right
3
Brake air flap, left
A Hall sensor is fitted to each of the two brake air flaps. The Hall sensors determine the position of the brake air flaps (open or closed).
Index
Explanation
Index
Explanation
1
Brake air flap
2
Hall-effect sensor
3
Vacuum connection
4
Partial-vacuum canister
System functions
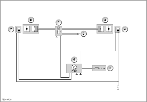
The switchover valve is activated by the Dynamic Stability Control (DSC).
Index
Explanation
Index
Explanation
1
Switchover valve
2
From the vacuum pump
3
Brake air flap, right
4
Hall sensor, right
5
Power supply, terminal 30g
6
DSC (Dynamic Stability Control)
3
Hall sensor, left
4
Brake air flap, left
Activation of the brake air flaps optimises the aerodynamic characteristics of the vehicle.
Depending on engine operation, 2 states result for the brake air flaps:
Engine OFF
Brake air flaps open
Engine ON
Brake air flaps close after a few seconds
In order to prevent the brake discs from overheating, the brake air flaps are opened as of a brake-disc temperature of 250 °C.
If there is a fault, it might not be possible to open the brake air flaps.
The engine output is then reduced to provide overheating protection for the brake discs.
Notes for Service department
Warning! Perform all work with the engine switched off.
Work may only be carried out on the brake air flaps (in particular checking the flaps for stiff movement) with the engine switched off. Otherwise, there is a risk of injury.
No liability can be accepted for printing or other errors. Subject to changes of a technical nature
-
Prílohy
-

- GR_FB3407001.png (6.76 KiB) 3524 zobrazení
-

- GR_FB3407002.png (23.64 KiB) 3524 zobrazení
-

- GR_FB3407003.png (31.04 KiB) 3524 zobrazení