Toto vlákno slúži ako podrobný návod na prerobenie páčky tempomatu z benzínovej verzie na páčku z dieslovej verzie. Tento návod neriešijej zapojenie, to nájdete v inej téme. Návod na zapojenie a montáž páčky do vozu nájdete vo vlákne bmwklub.sk/Návody a manuály/ e36 Inštalácia tempomatu do tds. Link je tu :
navody-a-manualy/e36-instalacia-tempomatu-do-tds-t146.html Začneme s trochou teórie. Do BMW E36 akejkoľvek motorizácie si bolo možné objednať tempomat. Táto montáž je možná aj dodatočne. U benzínovej motorizácie táto montáž zahŕňa rozsiahlu prestavbu a implementácie riadiacej jednotky tempomatu, motora tempomatu, páčky atd. U dieslovej verzie je to oveľa jednoduchšie, riadiaca jednotka motora na tempomat predpripravená a stačí tempomat napojiť na dva piny vstupu riadiacej jednotky. Najjednoduchšie riešenie u dieslového agregátu, je preto kúpiť si páčku priamo u dealera alebo na ebay a iba ju napojiť. Je tu však problém, páčka na diesel stojí 130 euro a to rozhodne nie je málo. Páčky na benzín a diesel sú navonok identické rozdiel je ale v tom že benzínová má 6 vývodov a dieslová iba dva. Všimnúť si to je možné na obrázku číslo jeden.

- rozdiel vo funkcii packe tempomatu pre naftovy a benzinovy agregat - differents of the cruise control switch for the diesel and petrol engines
- e36_tempomat-petrol-diesel-detail_small.gif (42.25 KiB) 5607 zobrazení
Je logické že, 5 polôh stlačenia páčky nie je možné ovládať len impulzmi prúdu po dvoch kanáloch. Keď si všimneme obrázok č.1, vidíme, že u dieslovej páčky sú na rozdiel od benzínovej priamo v páčke zakomponované odpory. Funkcia prepínačov je tá istá. To znamená že ak by sa nám podarilo na káble napajkovať odpory s prílušnou priepustnosťou, mohli by sme si páčku z benzínu prispôsobiť na diesel. Páčku z benzínu zoženieme z USA ebay alebo GB ebay za slušné peniaze (do 30 eur pri troche trpezlivosti), nakoľko sa tam predávali zväčša len benzínové verzie... Ja som si povodne neuvedomil,že páčky budú rozdielne a kúpil pre mna aj kamaráta na benzín, a preto som vlastne musel celý tento postup absolvovať. Ak už máme páčku doma, zostáva ju len prerobiť a napájkovať príslušné odpory. Chcel by som sa touto cestou poďakovať všetkým tým členom aj tohoto klubu (doknca aj adminovi) s dieslom a tempomatom na E36 ktorým som bezúspešne neúnavne vypisoval aby mi zmerali odpory na páčke, prípaden aspoň našli pol hodinku a ja by som si to prišiel zmerať. Slovenské heslo nie je to pre mna, nepohnem ani prstom sa opať ukázalo. Nakoniec sa mi však po pol roku na zahraničnom fóre podarilo vypátrať túto informáciu.
Odpory sú nasledovné :
V klude pri nestlačení ťiadneho tlačítka - odpor 660 Ohm
Volanie poslednej voľby (stlačenie hlavice páčky) - odbor 154 Ohm
Pridanie/akcelerácia (páčka od seba) - odpor 60 Ohm
Uberanie/deakcelerácia (páčka k sebe) - odpor 330 Ohm
Zrušenie/Vypnutue (páčka hore alebo dole) - odpor 1584 Ohm
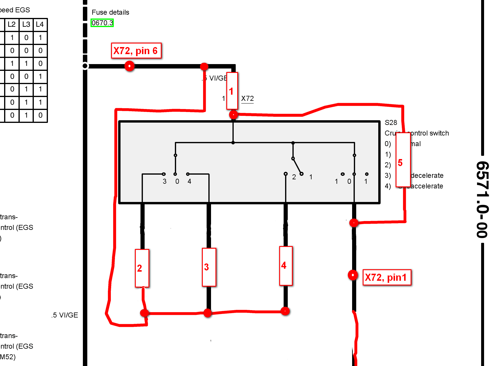
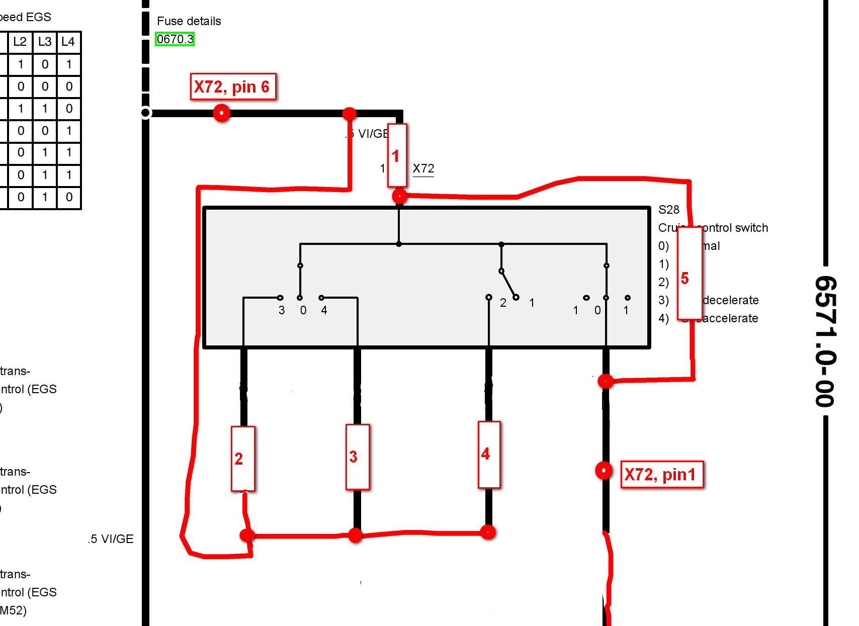
Na obrázku číslo dva som nakreslil úpravu akú musíme vytvoriť aby sme dosiahli z benzínovej páčky funkčne tú istú ako pre diesel.

- obrázok2 - pridanie odporov na benzínovú páačku - prerobenie na diesel/ image2 adding rezistors for the switch from petrol engine - convert to switch for diesel engines
- e36-petrol-to-diesel-cruise-switch.gif (62.17 KiB) 5607 zobrazení
Podľa predlohy aby sme dosiahli požadovaný efekt výsledného odporu pri stlační niektorej z volieb musíme poznať správanie sa odporov pri zapojení paralelne a sériovo. Toto sa dá jednoducho naštudovať na nete, ale skúsim predsa to sem napíšem aby to bolo kompletné. Ak odpory zapojíme sérivo (za sebov na jednom kábli) výsledný odpor je sčítaním hodnoty oboch odporov. Ak odpory zapojíme paralelne (vedľa seba )výslednú hodnotu odporu vypočítame podľa vzťahu R= (R1 * R2) / (R1 +R2) .
Podľa tohoto dosiahneme nasledovné hodnoty odporov
1. 660 Ohmov
2. 65 Ohmov
3. 660 Ohmov
4. 200 Ohmov
5. 924 Ohmov
Príklad, chcem zrýchliť, to znamená že páčkou zopnem polohu 3 na schéme - spojím paralelne odpor č.1 a odpor č.2 - Výsledný odpor zo vzorca (660*65)/(660+65) = 59,1724 =cca 60 Ohmov.
Odpory si pozháňame v predajni s elktronickými súčiastkami alebo dákom shope pre rádioamatérov. Ak nezoženieme presné hodnoty, kombinujeme, zapájame do série za sebou aby sme požadovanú hodnotu dosiahli.
Samotná výroba je už potom popochopení malina :
1.Odstihneme konektor :
(Káble čo sú 2 v jednompine sú zem,pre páčku a zem pre tlačítko, chápte to ako jeden kábel...)
2. Odpory si spajkovaváme za sebou podľa toho aby sme dosialhli požadovanú hodnotu
3. Napajkovávame ich na káble poľa schémy (farby by mali sedieť)
4. Zmeriame multimetrom pre kontorlu hodnoty pri stlačení požadovanej voľby hodnotu odporov na medzi káblami
5. Odpory zafúkneme v zafukovacej zmršťovacej bužírke - dobrá izolácia
6. Výsledné zväzky káblov spájkujeme do dvoch výsledných koncoviek
7. a hurá namontovať do auta....
Ak by mal niekto otázky smelo makontaktujte. Dúfam, že to pomôže čo najširšiemu spektru majiteľov E36. Veľa štastia.

- Packa z benzinu aj s X72 konektorom - Cruise control switch withthe X72 conector
- e36_vyroba01.jpg (93.77 KiB) 5607 zobrazení

- spojenie odporov seriovo za sebov - rezistors in the serial conection
- E36_vyroba05.jpg (60.95 KiB) 5607 zobrazení

- odstihneme konector / cut the conector
- E36_vyroba02.jpg (45.37 KiB) 5607 zobrazení

- odpory na kabloch - rezistors on the cable
- E36_vyroba03.jpg (78.63 KiB) 5607 zobrazení

- spojime konce zvazkov kablov s odpormi podľa schemy- join the cables together like in the diagram
- E36_vyroba04.jpg (108.37 KiB) 5607 zobrazení